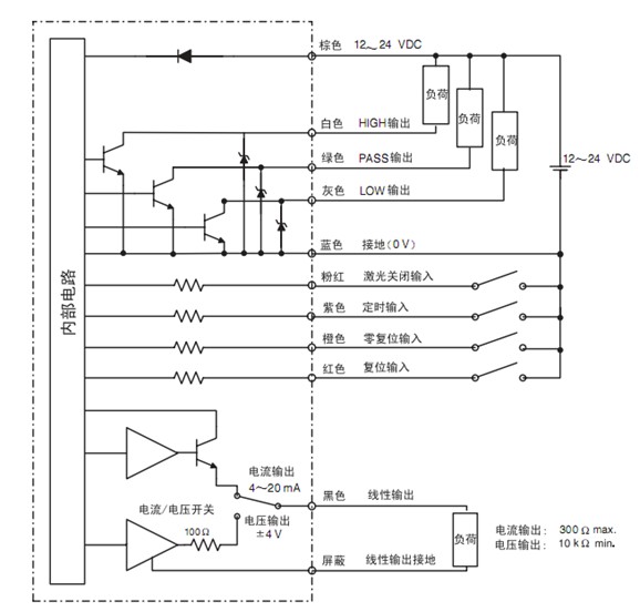
日本OMRON欧姆龙控制放大器接线图放大器显示的输出值和实际的输出值(电压表等的测定)之间自动示教由于连接设备的转换误差等,会发生偏差。这个偏差,通过电压表等获取实际输出值,在放大器显示上进自动示教执行中,测量值的最大值和最小值可作为门槛值进行行变更。
日本OMRON欧姆龙控制放大器接线图
NB7W-TW00B-V1现货
ZXZX-LDA11-N
小巧的机身中装载各种智能功能
备有各种激光型
较小 ● 较轻、反射型8种、 对射型4种。
■光量模式切换、高性能激光光电。
■I「使用方便」的操作性增强。
■增加了「均值保持」「延迟保持」功能。
■Smart Monitor V3登场。
特长
较小●较轻
※2005年6月1日现在
首先,请看它“小"到怎样的程度。它是较轻的。它有光电传感
器那样的尺寸,为现场节省空间、解决了设置空间的问题。
※高速采样: 0.15ms (应答速度: 0.3ms)
反射型8种、对射型4种
反射型等级2可视激光
※采样数为4,096次的时候
微小物体检测用点状光、通用及运动工件用线状光,根据用途可以灵活地区分使用。而且,测定距离范
围为28~500mm几乎能涵盖所有检测范围。
50um(40mm型)
光电形状
具有光量模式的高性能激光光电
装载激光寿命监视器
利用激光光束的微小光点使光通量的检测成为可能。不是作为
自我检测激光二极管(LD)
位移计,而是作为高精度激光光电传感器使用于背景物体上有
的寿命,并告知其结果。
无微小物体及颜色的差异检测上。另外,结合实际的应用,将-旦检测LD 退化(寿命),即
42.34
位移模式和光量模式的2个模式切换运用的更自如,可以设定
用副数字显示来告知。因为有
LON
较合适的功能。
充裕时间知道其寿命,因此,
Ldd
反射型
可以以防万一而事先做好对
应。
位移模式
..... >[ 光量模式
示教功能
42.345
2345
定位/2点/自动
40.000
1000
装备了类似于光电传感器的3种示教功能。
定位示教
距离显示」.... 》受光量 显示
个
适合于高精度的定位用途。
2电示教
师
适合于2点间的微小段差等的检测。
自动示教
适合于不需工件停止,进行示教的用途。

日本OMRON欧姆龙控制放大器接线图